|
配管と取扱について
|
|

|
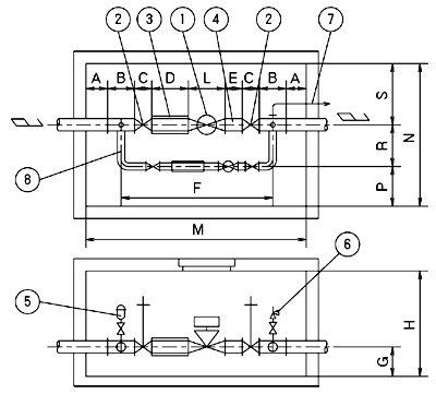
標準的な据付方向は水平配管方向です。垂直配管でご使用の場合はお問い合わせください。
|
|

|
特に前後に直管部を設ける必要はありませんが、主弁の直前での急激な偏流はできるだけ避けてください。
|
|

|
弁の入口側、出口側には保守点検用に仕切弁を設けてください。
|
|

|
取水口または弁入口側には原則としてストレーナーを設置してください。
|
|

|
ポンプによる圧送システムにおいて、ポンプ停止中に空気の侵入するラインには、急速排気弁を設置してください。
|
|

|
定圧弁の場合は、1次側と2次側に安全弁(主弁口径の 1/2 以上)を設置し、その安全弁から放流口まで、ドレン配管を施工してください。安全弁としては、どの様な条件下でも速やかに応動するヨコタ安全弁をお使いください。
|
|

|
液面制御弁の場合は、ボールタップ閉止後、主弁の閉止までにタイムラグが生じることがありますので、水位の設定時にご考慮願います。なお、ご不明な点についてはご相談ください。
|